注意事項
- ワイヤの吊り角度は60°以内を推奨します。
- ワイヤ、シャックルは別途販売となります。
- 六角天秤は付属品シャックルの紛失にご注意ください。
- 左右均等に吊り上げてください。
- 吊り荷重、吊り方をご確認の上、規定の使用荷重内でご使用ください。
- 付属品以外のワイヤ、シャックル等リース品以外の部材は、全て外してご返却ください。
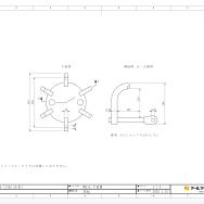
丸型天秤6ton(1ton×6点)
- 製品質量 28kg
- 型番 MB-6
- リース
- ワイヤの吊り角度は60°以内を推奨します。
- ワイヤ、シャックルは別途販売となります。
- 六角天秤は付属品シャックルの紛失にご注意ください。
- 左右均等に吊り上げてください。
- 吊り荷重、吊り方をご確認の上、規定の使用荷重内でご使用ください。
- 付属品以外のワイヤ、シャックル等リース品以外の部材は、全て外してご返却ください。
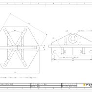
六角天秤13.5ton(2.25ton×6点)
- 製品質量 60kg
- 型番 HE-13
- リース
- 販売
GPBB-13.5t
- 上部シャックルは付属しております。紛失にご注意ください。
- ワイヤの吊り角度は、60°以内で使用してください。
ワイヤ・下部シャックルは販売となります。
- ワイヤの吊り角度は60°以内を推奨します。
- ワイヤ、シャックルは別途販売となります。
- 六角天秤は付属品シャックルの紛失にご注意ください。
- 左右均等に吊り上げてください。
- 吊り荷重、吊り方をご確認の上、規定の使用荷重内でご使用ください。
- 付属品以外のワイヤ、シャックル等リース品以外の部材は、全て外してご返却ください。
※取扱説明書を必ず熟読し操作方法等を全て厳守してください。
※寸法と図の形状は、現品と異なる場合があります。また仕様・寸法・材質など変更する場合がありますので、あらかじめご了承ください
天秤
シャックルやワイヤの寸法・安全荷重はこちらからご確認いただけます。

カタログダウンロード
最新の製品カタログ・図面・取扱説明書がこちらからダウンロードできます。[PDF]
営業時間:8:00~17:00(土日祝日休業)





